Solenoid Valve،شیر برقی،سولنوئید ولو
شیر برقی یا سولنوئید ولو در دو حالت قطع و وصل جریان سیال را کنترل کنند. در بیشتر انواع شیر برقی که در صنایع کاربرد دارد با تحریک یک بوبین یا سولنوئید و حرکت اسپول به سمت بالا میتوان جریان یا فلوی عبوری سیال گازی یا مایع را کنترل نمود . در عمل سولنوئید ولو های یا شیرهای برقی به انواع مختلفی نظیر شیر های دیافراگمی ، شیر سوزنی با کاربرد ، تحمل فشار مختلف و از جنسهای مختلف … تقسیم میگردد
طیف گسترده از شیرهای برقی برای سیالاتی نظیر بخار ، آب ، هوا ، نفت ، گازوئیل ، روغن، گاز و… در صنایع کاربرد دارند که به عنوان روش ساده جهت قطع و وصل عبور سیال از راه دور و کنترل فلوی آن مورد استفاده میگیرند . شیر برقی یک دستگاه الکترومغناطیسی است که از طریق یک سیم پیچ و عبور جریان الکتریکی در آن دریچه عبور سیال را باز یا بسته میکند و با توجه به جنس و سایز و فشار و دما و نحوۀ عملکرد و همچنین تعداد پورت ورودی و خروجی به گونه های مختلفی دسته بندی میشود .
شیر های برقی در مصارف هیدرولیک پنوماتیک برای کنترل جک ها و … تا در تأسیستات و سیتمهای آبیاری اتوماتیک و مصارف خانگی نظیر ماشین لباسشوئی تا مصارف پزشکی مانند صندلی دندانپزشکی کاربرد دارند .
در زیر به معرفی کلی انواع شیر برقی از نظر عملکرد و کاربرد پرداخته میشود
Directional solenoid valve شیر های برقی مورد استفاده در سیستمهای هیدرولیک و پنوماتیک شیر برقی های دایرکشنال معروف میباشند بیش از دو پورت برای ورود و خروج سیال دارند این در حالی است که تعداد وضعیتهای آنها میتواند بیشتر از دو وضعیت باشد برای مثال یک شیر 3/2 با به دو وضعیت و سه پورت است که در بخش هیدرولیک و پنوماتیک به آنها خواهیم پرداخت .
Direct acting
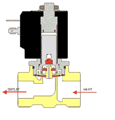
شیر برقی با عملکرد مستقیم که در این مدل ولو پیستون مغناطیسی به صورت مستقیم باعث باز و بسته شدن مسیر سیال میگردد و نیاز به اختلاف فشار بین ورودی و خروجی نیست و در عمل حجم کمی از جریان سیال را از خود عبور میدهد و با بیشتر سیالات ائم از آب، هوا، بخار، روغن و یا هر سیال سازگار با مواد قسمت وت پارت یا در تماس با سیال استفاده می شود و در های کاربردی شامل دستگاه توزیع کارتریج قهوه، خشک کن هوا، سونا و سیستمهای خلاء مورد استفاده قرار بگیرد
در تصویر زیر میتوان عملکرد یه شیر 2/2 نرمال کلوز را به صورت مستقیم دید.
شیر برقی با عمکلرد پایلوت از دو محفظه جدا از هم که از طریق دیافراگم از یکدیگر جدا شده اند تشکیل شده و دیافراگم به پیستون مغناطیسی متصل نیست که در مقایسه با مدل دایرکت یا مستقیم قابل تشخیص است به آن شیر برقی پایلوت یا غیر مستقیم گفته میشود زبان ساده از فشار خط ورودی برای بسته نگه داشتن شیر استفاده میکند و در عمل با انرژی کمتر حجم بیشتر از جریان سیال را از خود عبود میدهد.

Pilot Operated with assisted lift
در این مدل چیزی بین عملکرد مستقیم و عملکرد پایلوت میباشد که دیافراگم به پیستون متصل است و زمانی که بوبین تحریک میشود در فشار کم دیافراگم به صورت مستقیم از قسمت مربوطه جدا میشود و در فشارهای بالاتر دیافراگم به کمک فشار درونی شیر جابجا میشود . شیرهای Assisted lift میتوانند در اختلاف فشار صفر عمل کنند با این حال به صورت نرمال اپن امکان تولید ندارند . برای مثال این شیر برقیهای در سوخت دیزل که از طریق هد تانک تغذیه میشود میتوان به کار گرفته شود به این منظور که فشار تانک برای تحریک شیر در حالت پایلوت مناسب نیست و به کمک شیر برقی assisted lift pilot operated میتوان مسیر سوخت دیزل را بست. البته برای این منظور بهتر است از آب بندهای ویتون استفاده گردد . در سیستهای با فشار کم یا با فشار در نوسان به سمت صفر نیز میتوان از این شیر برقیهای استفاده کرد .
همچنین از آنجائی که این شیرها به اختلاف فشار برای عمل نیاز ندارند برای سیستمهای وکیوم یا خلا


